(812) 982-62-92

8-905-222-62-92

Адрес склада: Санкт-Петербург, Рижский проспект 40

Ежедневно с 10:00 до 19:00

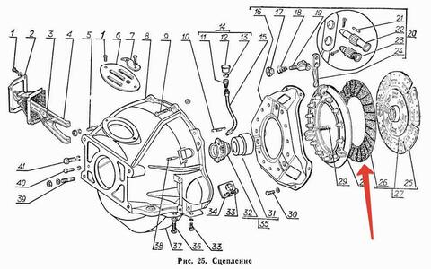
Накладка диска сцепления ГАЗ 53, 66

Накладка диска сцепления ГАЗ 53 66. Новодел.

Артикул:
Наличие: Нет в наличии
270 руб
добавить к сравнению перейти к сравнению
  • Описание
  • Характеристики
  • Отзывы (0)

Накаладка диска сцепления

Автомобиль: ГАЗ 53, ГАЗ 66.

Номер запчасти: 53-1601138-20, 53-1601138

Состояние: Новодел.

Цена указана за 1шт.

Размер: D наружн = 300мм, D внутр = 164мм, толщина 4мм

Состояние:: новодел
Категория Авито 2: Коллекционирование
GoodsType: Другое
Condition: Новое
Пока нет отзывов

Оставить отзыв

Все поля обязательны к заполнению
Вы не представились
Неправильно введен e-mail
Нам интересно Ваше мнение о товаре
Перед публикацией отзывы проходят модерацию