(812) 982-62-92

8-905-222-62-92

Адрес склада: Санкт-Петербург, Рижский проспект 40

Ежедневно с 10:00 до 19:00

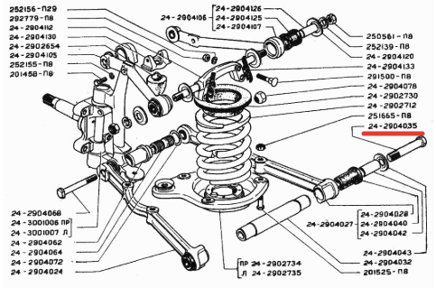
Палец оси нижнего рычага ГАЗ 24, 2410, 31029, 3102, 3110, РАФ 2203

Палец оси нижнего рычага ГАЗ 24, 2410, 31029, 3102, 3110, РАФ 2203. Новый, с хранения СССР.

Артикул: 01708
Наличие: Есть в наличии
180 руб
добавить к сравнению перейти к сравнению
  • Описание
  • Характеристики
  • Отзывы (0)

Болт оси нижнего рычага.

Автомобиль: ГАЗ 24, 2410, 31029, 3102, 3110, РАФ 2203

Номер детали: 24-2904035.

Новый, с хранения СССР. 

Цена указана за 1 шт. 

Состояние:: новый , с хранения
Категория Авито 2: Коллекционирование
GoodsType: Другое
Condition: Новое
Пока нет отзывов

Оставить отзыв

Все поля обязательны к заполнению
Вы не представились
Неправильно введен e-mail
Нам интересно Ваше мнение о товаре
Перед публикацией отзывы проходят модерацию